음성유도기 및 관리자리모컨 HUMC-2200V
본문
01. 음성유도기

-
무선신호에 따라 위치, 방향, 이름 등에 대한 음성안내를 제공하는 장치
- 관련 규정
- -장애인, 노인, 임산부 등의 편의증진보장에 관한 법규 및 관련 규정
- -교통약자의 이동편의 증진법에 관한 법규 및 관련규정
- -전파법 및 전파연구소 기술기준
- -정보통신망 이용촉진 및 정보보호 등에 관한 법률
- -장애물 없는 생활환경 BF 인증지침(2015년08월03일)
- -장애인편의시설 표준상세도 / 보건복지부, 한국장애인개발원
- -시각장애인용 편의시설 설치매뉴얼/ 보건복지부, 공동
- -KICS, KO – 06.0046 / R3 – 시각장애인용 음성유도기 무선규격 (2009년 1월 6일)
- 본 제품은 특허등록된 제품입니다.
엘리베이터용 음성유도기 HUMC-2200VE
- 특징
- -기존 노출형 음성유도기의 엘리베이터 외부 설치에 따른 배관 배선 및 콘센트의 미관 훼손을 개선하기 위하여 개발되었으며, 유지관리의 편의성이 개선되었습니다. (부산교통공사 MOU체결)
- 본체 규격
- -일반형 : 180 x 125 x 53 (mm) ± 0.5 이하
- -매립형 : 235 x 110 x 2T [200 x 95 x 102] (mm) ± 0.5 이하
- 관련 규정
음성유도기 사용
- 2017.12 보건복지부/한국시각장애인연합회 시각장애인용 편의시설 설치메뉴얼을 준수하여 제작되었습니다.
- 동작 방식은 시스템에 미리 설정된 동작구간 Data와 리모콘에 대한 무선 Cell Tracking Data를 비교 판별하여 무선수신 동작범위를 제어할 수 있도록 설계되었습니다.
- 한국정보통신표준(KICS, TTAS)에 적합한 기술기준을 적용하였으며, 무선신호에 따라, 위치, 방향, 이름 등에 대한 음성안내를 제공합나다.
- 환경조건에 따른 설치 최적화를 위하여 음성유도기 수신부는 16단계로 무선 동작 거리를 구분할 수 있으며, “관리자 전용 무선리모컨” 으로 무선제어가 가능합니다.
- 한 대의 음성유도기 동작 종료 후 최대 3초 이내에 다음 유도기에서 음성방송이 송출되도록 제어하며, 원할한 순차제어를 위하여 “사용자 리모컨” 신호 수신 후 동작시간 및 방송종료 후 동작중지 시간 선택기능이 있으며, 시각협회에서는 최대 3대 이내로 순차방송을 제한하고 있습니다. “관리자 전용 무선리모컨” 으로 제어가 가능합니다.
- 음량은 최대 90dB, “관리자 전용 무선리모컨” 으로 제어가 가능합니다.
- 음성은 16KHz로 샘플링된 전용 Digital 음성 IC칩에 최대 110초까지 안내내용의 녹음이 가능하며, 3가지 음성안내 내용을 분리하여 각각 제공할 수 있고, 고 음질, 고음량의 품질로 방송 됩니다.
- reset B/T과 동작상태 표시 LED가 외부에 장착되어 일부 시스템 장애에 대하여는 즉시 정상복귀가 가능하며, 2색으로 동작 상태를 표시하여, 신호 수신시 3초간 적색 점등후 녹색으로 전환되며, 평상시 녹색이면 정상 상태, 적색이면 이상 상태임을 표시합니다.
음성유도기 특징
- A. 동작거리 선택가능, 동시동작, 과다소음 방지
- -무선 Cell tracking 방식으로 동작거리 16단계 데이터 선택조정 기능. (1 ~ 30m)
- -인접 유도기의 동시동작과 중복 방송을 최대한 방지하는 무선 거리제어 가능
- B. 외부 설치 시 타이머에 의한 음량제어
- -19시~07시(±10분) 주간보다 20dB(조정가능) 음량이 작게 자동제어 되어 방송
- C. 순차동작 및 동작시간 조절 (10m 이내 설치 시 동시동작 방지)
- -한 대의 수신기 동작 종료 후 3초 이내 다음 수신기 음성안내 송출
- -동작시간 및 방송 종료 후 동작대기시간 무선 방송시간 제어 가능
- D. 시스템 복귀 및 자가진단 LED
- -Reset B/T이 장착되어 일부 시스템 장애에 대하여는즉시 정상복귀 가능
- -2색 동작표시[적색 : 이상, 적색 점멸 : 동작중, 녹색 : 정상] 장비상태 점검 가능
- E. 확장성과 상호 운용성을 보장하는 MPU제어
- -MPU 제어방식으로 기능변경 및 Upgrade가 자유롭습니다. (규격 변동 등).
- F. Digital 방식의 음성녹음 및 방송
- -음성녹음을 16kb고음질로 녹음, 재생하며, 음성전용 IC칩은 Analog방식에서 Digital방식으로 Upgrade하여 음질 성능개선 (화이트 노이즈 없음) 무선 음량제어 가능.
- G. 입력전원부 : Free Voltage(AC 85~264V / 47~75Hz / 500mA)
- -PWM Currentmode의 SMPS Module 장착으로 전원변화에 안정적으로 동작
- H. 특별 선택 주문사양
- -5또는 8초 간격의 반복적인 위치유도안내음향(딩~동) 발생 (on/off) 가능
- -타이머에 의한 반복메시지 방송 (예 : 40초 간격 현 위치 안내방송)
- -음성유도기 동작 중 방송 정지 기능 (유지관리 시 편의성)
- I. 브라켓 설치 방식 채택
- -브라켓 설치 방식을 채택하여 제품 설치 전, 위치선정에 용이하며 굴곡진 벽면이나 얇은 기둥 같은 제품크기에 비례하여 적은 면적에도 편리하게 설치가 가능 합니다.

제원표, 전기적 사양(KICS, TTAS 표준)
| 항 목 | 규격(Specification) | 비고 | ||
|---|---|---|---|---|
| 사용전원/제어방식 | 85~264VAC(Free Voltage) 47~75(㎐) SMPS-PWM | 특별사양 | ||
| 수신 주파수 | 358.5000(㎒) | |||
| 전파형식(변조) | F(G)2D <FSK> (주파수) | |||
| 운영체게 | One way / Cell Tracking (RSSI 전계강도 비교) | |||
| 수신부 제어 | VCTCXO 제어 (전압제어, 온도보상, 주파수 안정도 유지) | 특별사양 | ||
| 수신거리 제어 | 1~30m 이내, Data Selective 16단계(무선제어) | 최대 50m | ||
| 방송 시작시간 | 순차방송용 : 0, 3, 5, 7, 9초..... 2초간격 16단계(무선제어) | |||
| 방송 후 대기시간 | 순차방송용 : 0, 3, 5, 7, 9초..... 2초간격 16단계(무선제어) | |||
| 고장표시 LED | 정상 : 녹색점등, 이상 : 적색점등, 신호수신 : 적색 3초 On | |||
| 일부 고장복귀 | 외부 적색 버튼(Reset) 동작 | |||
| 유도음 발생기능 | 5 또는 8초 간격 딩~동 유도음 24시간 반복발생 On/Off | 편의기능 | ||
| 소비전력 / 전류 | 6~8Watt 이내 ±10% 이내 (DC-15V / 1A) | |||
| 음향출력(크기) | 7W이내, 최대 90dB이하 0~9, 10단계(무선제어) | 주간 | ||
| 음량조절 | 19시~07(±10분) 주간보다 20dB 이상 작게 자동조절 | 자동 | ||
| 동작온도 | 인증시험 : -20℃~+50℃, 특성시험 : -33℃~+74℃ | |||
| 주파수 안정도 | 358.5000(㎒) ±500㎐ 이하 | 1㎑ 변조주파수, 최대주파수편이의 60% 변조도, SINAD 12㏈ 조건. | 상기온도 | |
| 수신감도 | 2㎶ 이하 | 상기온도 | ||
| 인접채널 선택도 | 60㏈c 이상 | 상기온도 | ||
| 습도 | +35℃, 95% | |||
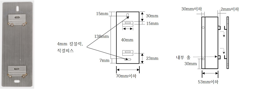
| 크기 | 본체 | 180(H)×125(W)×53(L)㎜ ± 0.5 이하 | ||
| 벽부 고정용 브라켓 | 162(H)×70(W)×4(L)㎜ ± 0.5 이하 | |||
| 외함재질 | STS 304 | |||
| 외함등급 | STS 2B | |||
| 외함표면처리 | H/R, P/R | |||
| 외함특징 | 색 상 | 1도(검정색) | ||
| 두께 | t 1.0 ±0.2 | |||
* 본 제안서의 내용은 성능 개선을 위하여 법령과 국가규격의 범위 내에서 예고 없이 변경될 수 있습니다.
02. 관리자리모컨 HUMC-2200R

-
음성유도기(2200V) 유지·관리를 위한 기능제어용 무선 관리 전용리모컨
- 제품특징
- -A. 무선 동작거리 제어
음성유도기의 고유번호를 통하여 음성유도기의 동작거리를 16단계 선택 설정 - -B. 무선 음량 제어
음성유도기의 음량의 크기를 10단계 선택 설정 - -C. 무선 방송 시작시간 제어
음성유도기의 고유번호를 통하여 음성유도기의 방송 시작시간을 16단계 선택 설정 - -D. 무선 방송 후 동작 대기시간 제어
음성유도기의 고유번호를 통하여 음성유도기 방송 후 동작 대기시간을 16단계 선택 설정 - -E. 기타 기능 및 디자인
적절한 유선형 디자인과 LCD를 통한 기능선택, 방송중 소음 최소화를 위한 방송중지 등의 편리기능 강화로 음성유도기 관리자의 사용성과 편리성, 휴대성 등을 향상시킴
- -A. 무선 동작거리 제어
- 제품특징
리모컨 사양
- 전기적 사양
| 항목 | 규격(Spec.) | 비고 |
|---|---|---|
| 사용전원 | 1.5 AAA Battery | 일반용 |
| 리모컨 송신 주파수 | 358.5000(㎒) ± 500㎐ | KICS표준 |
| 송신출력 | 4mW | KICS표준 |
| 전파형식 | F(G)2D, <FSK> | KICS표준 |
| 신호 송출시간 | 500(㎳) | KICS표준 |
| 소비전류 | 200mAh 미만 | |
| 사용온도 | -10℃~+50℃ |
- 외형치수, 재질사양
| 외형치수 | 52(W)×92(H)×16(L) ㎜ ± 0.15 이하 |
|---|---|
| 전면 멤브래인 | 45(W)×85(H) ㎜ |
| LCD 표시창 | 37(W)×13(H) ㎜ |
| 재질사양 | PC / ABS |
* 본 제안서의 내용은 성능 개선을 위하여 법령과 국가규격의 범위 내에서 예고 없이 변경될 수 있습니다.
본 사이트의 모든 제품이미지를 무단,불법 도용 시 민,형사상의 책임이 있으며 상표 및 특허권 침해에 따른 법적책임과 손해배상의 책임을 물을 수 있고, 5년 이하의 징역 또는 5000만원 이하의 벌금이 부과됩니다.






















